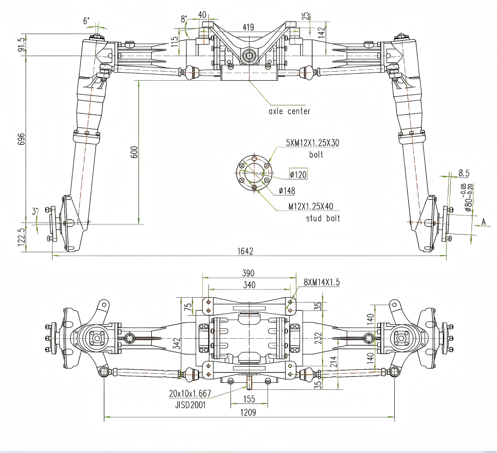
Front drive axle
1.The gearbox with three gear classes provides various transmission ratios.
2.The main gearbox, which uses Gleason bevel gears, has high transmission efficiency and low noise level.
3.Intermediate transmission and final output use a bevel gear with straight teeth, which is both reasonable and compact.
4.Adding a transmission side shaft increases ground clearance, thereby expanding off-road capability.
5.The entire truck body, made of high-quality cast iron, has high load-bearing capacity and good rigidity.
6.The design with front and rear dual swivel frames allows reducing the center of gravity of the vehicle, enhancing its safety and reliability.
7. It is suitable for self-propelled sprayers with a rod of 25 - 35 PS.
MAIN CHARACTERISTICS:
This self-propelled rod sprayer can boast an excellent transmission system.The three-stage gearbox provides a wide range of gear ratios, allowing for various operational requirements to be met.The main gearbox using Gleason conical gears provides high efficiency and low noise level, operates smoothly and silently.The design of conical gears with straight teeth for intermediate and final steps is compact and rational.Adding a side transmission shaft increases ground clearance, enhancing the sprayer's off-road performance.The heavy-duty housing, made from high-quality cast iron, stands out for its strength, durability, and high load-bearing capacity.The front and rear dual swivel frames lower the center of gravity, significantly increasing the safety and stability of the vehicle.This is an ideal choice for self-propelled rod sprayers with a power of 25 to 35 horsepower.
MAIN TECHNICAL PARAMETERS:
Overall overall gear ratio |
21.43 |
Wheel rotation angle |
25° |
Steering cylinder movement |
67.5mm. |
Max.working pressure |
16Mpa. |
Requirements for oil for the drive axle (API classification) |
GL-5: 85W/90 gear oil (use above -12°C) |
Input shaft spline parameter |
M=1.667 Z=10 X=0.8. |



