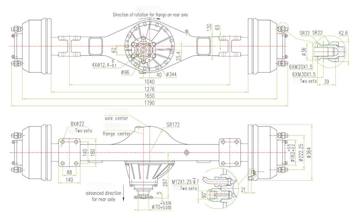
Rear axle for 6.5 ton wheeled excavator
1. The main units and assemblies of the gearbox use Isuzu compatible components. These components have proven themselves well and are reliable, and they can be purchased without any problems.
2. The side wheel brake has a hydraulic normally open pad design, providing reliable and stable braking.
3.The axle body is made of cast steel, which gives it high load-bearing capacity and excellent rigidity.
4. Used on 6-7 ton excavators.
MAIN CHARACTERISTICS:
Specially designed for 6 - 7 -ton wheeled excavators. The main gearbox uses the interchangeable parts of ISUZU, which are mature, reliable and easy to purchase, ensuring continuous and efficient operation of the equipment. Equipped with a hydraulic normally open column brake, it provides safe and reliable braking, allowing you to steadily park in various working conditions. The entire body of the bridge is made of cast steel, characterized by high bearing capacity and excellent rigidity, and can easily cope with complex and difficult working conditions. Starting with the choice of components and ending with general structural design, he is guided by the desire for excellent quality, providing a reliable guarantee for your engineering operations. This is a reliable choice for wheeled excavator equipment.
Main Technical Parameters:
Total gear ratio |
6.167 |
Maximum output coefficient |
7000N.m |
Rated load |
4500Kg |
Brake Oil Pressure |
10Mpa. |
The power of one brake caliper |
5ML |
Oil request for the leading bridge (API standard) |
GL-5; 85W/90 transmission oil (above -12 ° C) GL-5; 80W/90 transmission oil (above -26 ° C) |
Brake oil request |
Synthetic brake liquid DOT3 or 719, mixing is not allowed! |
Suitable hub |
6.5-16 |
Suitable tire |
7.50-16 |
The lubrication of the wheel |
2 -liter lubricant |
Weight |
280kg |



