Here is a 3-cubic underground screper
1.This system, equipped with a Limited Slip Differential No-Spin (LSD), provides 100% traction control on dirty surfaces, completely preventing wheel slip.
2.The integrated disc brake system with a wet disc combines the functions of working and parking braking into a single mechanism (POSI-STOP), ensuring reliable operation.
3.Floating seals at the ends of the wheels are specifically optimized for long-term operation in conditions of increased humidity and sludge formation and exhibit enhanced durability of the seals.
4.The most important components supplied by globally certified Tier-1 suppliers ensure reliability over a long service life in accordance with industrial cycle requirements.
5.The steel cast axle, more suitable for two reduction gears, provides optimal load distribution and torque transmission efficiency.
6. Suitable for 3 cubic underground scrapers.
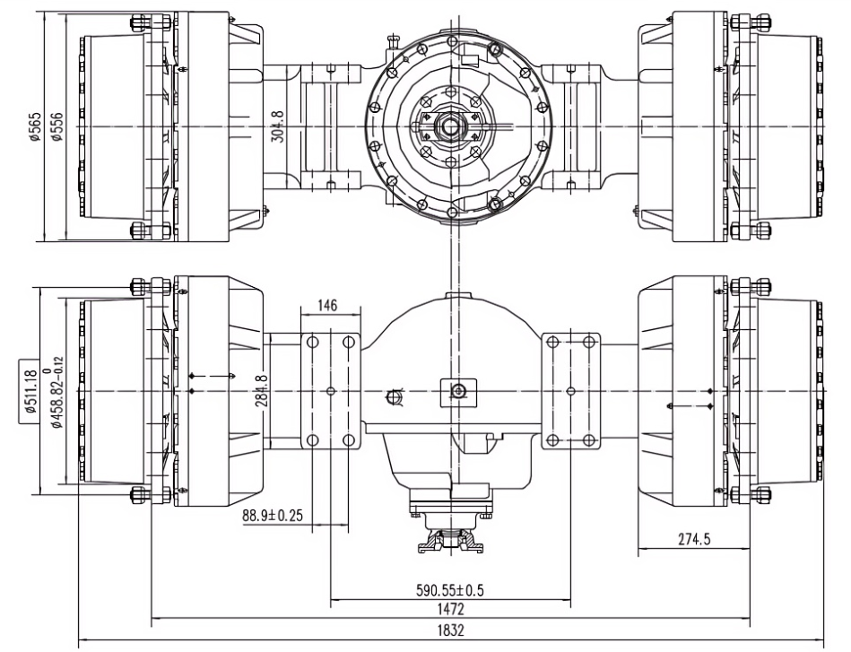
Introduction:
This underground scraper axle is designed for 3-cubic underground scrapers and has a durable solid cast steel axle body.The front axle is equipped with a No-Spin differential with limited slip (LSD), and the wheel systems use a dual-action braking system with springs and hydraulic unlocking (POSI-STOP) combined with floating sleeves.This design ensures optimized adaptability and increased operational reliability, specifically designed for working in complex underground mining conditions.
Main Technical Parameters:
Overall overall gear ratio |
26.118 |
Maximum input torque |
4290 N.m |
Load on one bridge |
19050Kg. |
Brake Design |
POSI-STOP Spring Brake/Hydraulic Pinch Brake/Multi-disc Wet Brake/Strong Cooling |
Oil pressure during braking |
10.4Mpa. |
Single braking capacity |
163.9ml. |
Single braking moment |
20000 N.m |
Requirements for oil for the drive axle (API classification) |
GL-5: transmission oil 85W/90 (use at temperatures above -12 ° C) GL-5: transmission oil 80W/90 (use at temperatures above -26°C) |
Brake Cooling Oil and Remove Brake Oil |
Hydraulic oil L-HL46 |



