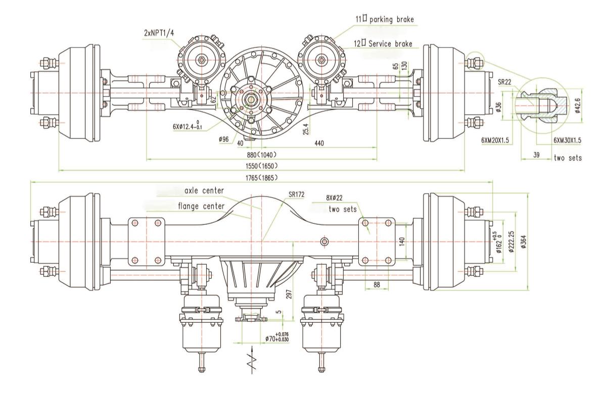
6-7 ton Rear Axle for Wheel Excavator
1. The editor-in-chief assembly uses Isuzu interchangeable parts. These parts are well designed, reliable and easily available.
2. The brake on the wheel side has a normally closed type pneumatic CAM drive, combining the functions of the leading and parking brake.
3. The axle body made of cast steel has high bearing capacity and excellent rigidity.
4. Used on wheeled excavators weighing from 6 to 7 tons.
MAIN CHARACTERISTICS:
This product is specially designed for 6-7-ton wheeled excavators. The chief gearbox uses the interchangeable ISUZU details, which are mature, reliable and easy to purchase, which ensures stable equipment and convenient maintenance. The side brake of the wheel is a pneumatic CAM of a normally -closed hoof type, originally combining the functions of the working and parking brakes for effective and safe braking. The axis housing is entirely made of cast steel, has a high bearing capacity and excellent rigidity, which allows it to adapt it to difficult working conditions. Whether it is the reliability of the components, the efficiency of braking or the strength of the structure, the axis housing demonstrates outstanding advantages, which makes it an excellent choice for wheeled excavators.
Main Technical Parameters:
Total gear ratio |
6.167 |
Maximum output coefficient |
7000N.m |
Rated load |
4500Kg |
Braking distance |
CAM type is pneumatic |
Brake system pressure |
0.8MA |
Parking brake |
0.8MA |
Oil request for the leading bridge (API standard) |
GL-5; 85W/90 transmission oil (above -12 ° C) GL-5; 80W/90 transmission oil (above -26 ° C) |
Suitable hub |
6.5-16 |
Suitable tire |
7.50-16 |
The lubrication of the wheel |
2 -liter lubricant |



