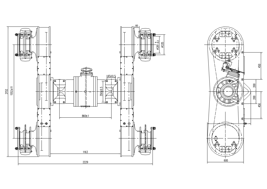
Rear Grader Axle with Swing Support
1. The balancing box and the middle part of the bridge are connected by a rotating support, which ensures convenient installation/demounting, good load-bearing capacity, and reliable wear-resistant sealing.
2. Independent floating seal design on the wheel hub with long service life and automatic wear compensation, provides excellent sealing in heavy working conditions with coal dust, mud, moisture, etc.
3.Optional No-spin differential for complex road conditions.
4. Reinforced heavy-duty roller chain transmission with extended service life.
5. Hydraulic disc brakes with quick and reliable operation and easy maintenance
6. Compatibility with graders 200-220 hp.
Introduction:
The rear axle of the PY210H rotary support grader has many design features.The middle part of the drive axle is connected to the balance box using a swivel bearing that can be easily disassembled, has high load-bearing capacity and good sealing.Independent wheel edges with oil-filled seals are resistant to wear and aggressive environments, automatically compensate for wear and ensure excellent performance in coal dust, sand, and dusty conditions.The non-rotating LSD (Limited Slip Differential) ensures stable traction on hard surfaces.The super-powered roller chain drive ensures durability.The Co-200 hydraulic brake system is easy to maintain and provides reliable braking.Whether it's a complex task or a long-term requirement - this is the ideal solution.
Main Technical Parameters:
Overall overall gear ratio |
17.834 |
Maximum input torque |
4500N.m |
Maximum Input Speed |
3100rpm |
Rated load of the bridge |
12500Kg |
Brake system oil pressure |
11MPa. |
Braking torque of one caliper |
13050N.m |
Working volume of the brake caliper |
8.8ml |
Drive Axle Oil Requirements (API Classification) |
GL-5: 85W/90 gear oil (use above -12°C) GL-5: 80W/90 gear oil (use at temperatures above -26°C) |
Requirements for brake fluid for calipers |
Hydraulic Oil L-HL46 In cold areas: L-HV46 anti-wear low-freezing hydraulic oil |



